Brand: VENIT/OEM
The Dee Shape of the Shackle provides a secure and stable connection point, making it perfect for use in a variety of industries, including marine, construction, mining, and transportation.
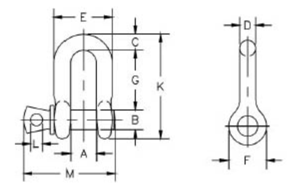
Grade S Dee Shackle with Screw Pin


| Nominal | Workin | Weight | Dimensions (INCH) | Tolerance+/- | ||||||||||
| Size | Load | Each(LBS) | ||||||||||||
| (INCH) | Limit | |||||||||||||
| (T)* | A | B | C | D | E | F | G | K | L | M | G | A | ||
| 1/4 | 1/2 | 0.11 | 0.47 | 0.31 | 0.25 | 0.25 | 0.97 | 0.62 | 0.97 | 1.59 | 0.19 | 1.43 | 0.06 | 0.06 |
| 5/16 | 3/4 | 0.17 | 0.53 | 0.38 | 0.31 | 0.31 | 1.15 | 0.75 | 1.07 | 1.91 | 0.22 | 1.71 | 0.06 | 0.06 |
| 3/8 | 1 | 0.28 | 0.66 | 0.44 | 0.38 | 0.38 | 1.42 | 0.92 | 1.28 | 2.31 | 0.25 | 2.02 | 0.13 | 0.06 |
| 7/16 | 1-1/2 | 0.43 | 0.75 | 0.5 | 0.44 | 0.44 | 1.63 | 1.06 | 1.48 | 2.67 | 0.31 | 2.37 | 0.13 | 0.06 |
| 1/2 | 2 | 0.59 | 0.81 | 0.63 | 0.5 | 0.5 | 1.81 | 1.18 | 1.66 | 3.03 | 0.38 | 2.69 | 0.13 | 0.06 |
| 5/8 | 3-1/4 | 1.25 | 1.06 | 0.75 | 0.63 | 0.63 | 2.32 | 1.5 | 2.04 | 3.76 | 0.44 | 3.34 | 0.13 | 0.06 |
| 3/4 | 4-3/4 | 2.63 | 1.25 | 0.88 | 0.81 | 0.75 | 2.75 | 1.81 | 2.4 | 4.53 | 0.5 | 3.97 | 0.25 | 0.06 |
| 7/8 | 6-1/2 | 3.16 | 1.44 | 1 | 0.97 | 0.88 | 3.2 | 2.1 | 2.86 | 5.33 | 0.5 | 4.5 | 0.25 | 0.06 |
| 1 | 8-1/2 | 4.75 | 1.69 | 1.13 | 1 | 1 | 3.69 | 2.38 | 3.24 | 5.94 | 0.56 | 5.13 | 0.25 | 0.06 |
| 1-1/8 | 9-1/2 | 6.75 | 1.81 | 1.25 | 1.25 | 1.13 | 4.07 | 2.69 | 3.61 | 6.78 | 0.63 | 5.71 | 0.25 | 0.06 |
| 1-1/4 | 12 | 9.06 | 2.03 | 1.38 | 1.38 | 1.25 | 4.53 | 3 | 3.97 | 7.5 | 0.69 | 6.25 | 0.25 | 0.13 |
| 1-3/8 | 13-1/2 | 11.63 | 2.25 | 1.5 | 1.5 | 1.38 | 5.01 | 3.31 | 4.43 | 8.28 | 0.75 | 6.83 | 0.25 | 0.13 |
| 1-1/2 | 17 | 15.95 | 2.38 | 1.63 | 1.62 | 1.5 | 5.38 | 3.62 | 4.84 | 9.05 | 0.81 | 7.33 | 0.25 | 0.13 |
| 1-3/4 | 25 | 26.75 | 2.88 | 2 | 2.12 | 1.75 | 6.38 | 4.19 | 5.78 | 10.97 | 1 | 9.06 | 0.25 | 0.13 |
| 2 | 35 | 42.31 | 3.25 | 2.25 | 2.36 | 2.1 | 7.25 | 5 | 6.77 | 12.74 | 1.13 | 10.35 | 0.25 | 0.13 |
| 2-1/2 | 55 | 71.75 | 4.12 | 2.75 | 2.63 | 2.63 | 9.38 | 5.68 | 8.07 | 14.85 | 1.38 | 13 | 0.25 | 0.25 |
Thanks so much for your support and very good purchase experience~
Excellent quality product very good delivery time responsive and serious we recommend this supplier.
As usual, product was delivered on schedule and was properly packaged, product quality is good.
Perfect size for what we need well done, will order again soon.
Fast delivery speed.
Good quality and professional service.