Brand: VENIT/OEM
The Twin Clevis Link is forged under high pressure and temperature, resulting in a compact and dense structure that enhances its overall strength and durability.
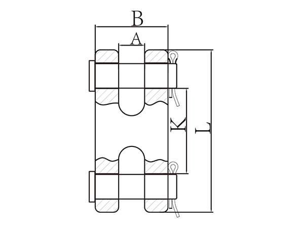
VNT048 G70 Alloy Forged Twin Clevis Link
Features
● It is a G70 product which can be only used for lashing and pulling. It can never be used for lifting.
● It is forged by alloy steel. And the strict heat treatment ensures the intensity and toughness.
● It can be matched with G70 chains.
● Normal marks: G70 1/4*-5/16.
Ultimate load is 4 times the Working Load Limit.


| ITEM NO. | WEIGHT/kg | WLL(T) | B.L/T | A±1 | B±1 | K±1.2 | L±1.5 |
| VNT048-1/4-5/16 | 0.21 | 2.1 | 8.4 | 10 | 28 | 32 | 65 |
| VNT048-3/8 | 0.348 | 3 | 12 | 14 | 35 | 40.5 | 78 |
| VNT048-1/2-7/16 | 0.762 | 5.1 | 20.4 | 15 | 45 | 52.5 | 100.5 |
| VNT048-5/8 | 1.05 | 7.48 | 29.92 | 20 | 56 | 66 | 125.5 |
Thanks so much for your support and very good purchase experience~
Excellent quality product very good delivery time responsive and serious we recommend this supplier.
As usual, product was delivered on schedule and was properly packaged, product quality is good.
Perfect size for what we need well done, will order again soon.
Fast delivery speed.
Good quality and professional service.