Brand: VENIT/OEM
The VNT1001 G100 European Type Connecting Link is designed to connect different parts of a system or machine to ensure their smooth and efficient operation.
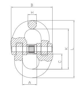
VNT1001 G100 European Type Connecting Link
The alloy steel connecting link has the following features
● It is forged by special alloy steel with high intensity and high toughness, and then it is heat treated;
● It can be matched with G100 chains;
● The performance is increased by 25% compared with G80 products;
● Each workpiece should pass testing at 2.5 times of working load limit;
● We should carry out sampling and 20000 times of fatigue testing;
● We should carry out strict sampling and breakage testing for each batch of products;
● We should carry out 100% magnetic powder flaw detection;
● 100% of the pin should be tested to ensure that they have the same hardness;
● Surface treatment: plastic spraying;
● Color code: Blue RAL5015.
Ultimate load is 4 times the Working Load Limit.


| Item No. | Weight/kg | WLL/T | B.L/T | H±1 | A±1.5 | B±1.5 | C±1.5 | K±2 | L±3 |
| VNT1001-06 | 0.11 | 1.4 | 5.6 | 7 | 14 | 40 | 16.5 | 44.5 | 62.1 |
| VNT1001-07 | 0.17 | 1.9 | 7.6 | 8.2 | 18.5 | 56 | 22.5 | 60 | 80 |
| VNT1001-7/8 | 0.16 | 2.5 | 10 | 8.5 | 18.5 | 54.2 | 22 | 59.7 | 81.7 |
| VNT1001-08 | 0.18 | 2.5 | 10 | 10 | 18.5 | 53 | 25 | 63.1 | 84.1 |
| VNT1001-10 | 0.34 | 4 | 16 | 12.6 | 23 | 64 | 27.8 | 71.6 | 96.8 |
| VNT1001-13 | 0.68 | 6.7 | 26.8 | 16.5 | 28 | 81 | 36.9 | 93.4 | 126.4 |
| VNT1001-16 | 1.22 | 10 | 40 | 20 | 33.5 | 103 | 40.2 | 105 | 145 |
| VNT1001-20 | 2.13 | 16 | 64 | 25 | 42 | 119.5 | 47.5 | 125 | 175 |
| VNT1001-22 | 3 | 19 | 76 | 27 | 48 | 142 | 53 | 139 | 193 |
| VNT1001-26 | 5.2 | 26.5 | 106 | 32 | 61 | 169 | 63 | 164 | 229 |
| VNT1001-32 | 9.55 | 39.3 | 157.2 | 40 | 80 | 218 | 78 | 199 | 279 |
SP-VNT1001-SPARE PART FOR VNT1001

Thanks so much for your support and very good purchase experience~
Excellent quality product very good delivery time responsive and serious we recommend this supplier.
As usual, product was delivered on schedule and was properly packaged, product quality is good.
Perfect size for what we need well done, will order again soon.
Fast delivery speed.
Good quality and professional service.