Brand: VENIT/OEM
The G80 improved clevis selflock hook ensures safe lifting with enhanced design, offering strength, security, and reliable chain connection.
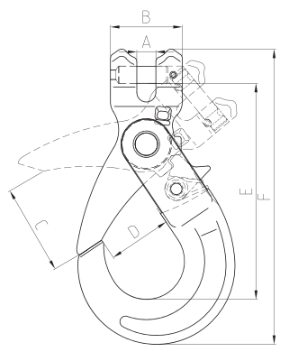
VNT738 G80 Improved Clevis Selflock Hook
Forged or welded super alloy steel.
Suitable for use with G80 chain.
Individually proof tested at 2.5 times Working Load Limit.
100% Magnaflux Crack Detection.
Fatigue tested at 1.5 times Working Load Limit for 20000 cycles.
Strict break load test.
Surface finish: Power plastified Colour: Yellow or Red RALcode: RAL1003 or RAL3020. Other colour is available as per request.
All load pin are 100% individually inspected and tested.
Ultimate load is 4 times the Working Load Limit.


| Item No. | Weight/kg | WLL/T | BL/T | A±1 | B±1 | C±2 | D1±2 | E1±3 | F±3 |
| VNT738-6 | 0.44 | 1.12 | 4.48 | 8 | 32 | 35 | 28 | 99 | 134 |
| VNT738-7/8 | 0.8 | 2 | 8 | 9.5 | 38.5 | 39 | 39 | 119.3 | 161.9 |
| VNT738-10 | 1.38 | 3.15 | 12.6 | 12.5 | 48 | 48 | 45 | 142 | 195 |
| VNT738-13 | 2.81 | 5.3 | 21.2 | 15 | 59 | 60 | 52.5 | 180 | 249 |
| VNT738-16 | 6 | 8 | 32 | 18.5 | 77 | 65 | 63.3 | 225 | 310 |
| VNT738-18/20 | 7.25 | 12.5 | 50 | 24 | 77 | 85 | 86 | 238 | 335 |
| VNT738-22 | 12.8 | 15 | 60 | 25 | 97.5 | 83 | 76 | 277 | 392 |
| VNT738-26 | 21.8 | 21.2 | 84.8 | 30 | 118 | 116 | 96 | 312 | 450 |
| VNT738-32 | 49.6 | 31.5 | 126 | 35 | 150 | 140 | 135 | 416 | 589.6 |
Thanks so much for your support and very good purchase experience~
Excellent quality product very good delivery time responsive and serious we recommend this supplier.
As usual, product was delivered on schedule and was properly packaged, product quality is good.
Perfect size for what we need well done, will order again soon.
Fast delivery speed.
Good quality and professional service.