Brand: VENIT/OEM
The VNT283 features an integrated bearing for smooth 360° rotation under heavy load. Reduces wire rope wear for safer, efficient lifting operations.
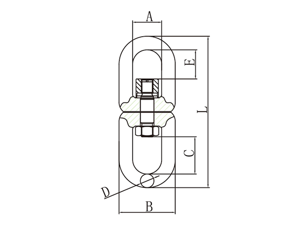
VNT283 G80 Swivel with Bearing
● It is forged by special alloy steel with high intensity and high toughness, and then it is heat treated;
● It can be matched with sling and G80 chains which can meet the standard EN818-2;
● Each workpiece should pass testing at 2.5 times of working load limit;
● We should carry out sampling and 20000 times of fatigue testing;
● We should carry out strict sampling and breakage testing for each batch of products;
● We should carry out 100% magnetic powder flaw detection;
● 100% of the pin should be tested to ensure that they have the same hardness;
● Surface treatment: plastics spraying.
● Color code: red RAL3020/yellow RAL1003.
It is equipped with bearing.
Ultimate load is 4 times the Working Load Limit.


| ITEM NO. | WEIGHT/KG | WLL/T | B.L/T | A±1 | B±2 | E±1.5 | C±1.5 | D±1 | L±2 |
| VNT283-10 | 1.85 | 3.15 | 12.6 | 38 | 76 | 34.8 | 51 | 19 | 209 |
| VNT283-13 | 5.5 | 5.3 | 21.2 | 60 | 116 | 60 | 77 | 28 | 312 |
Thanks so much for your support and very good purchase experience~
Excellent quality product very good delivery time responsive and serious we recommend this supplier.
As usual, product was delivered on schedule and was properly packaged, product quality is good.
Perfect size for what we need well done, will order again soon.
Fast delivery speed.
Good quality and professional service.